Podstawowymi elementami w domowej instalacji elektrycznej są łączniki. Prezentujemy schematy różnych wariantów połączeń łączników.
W każdym schemacie stosuje się pewne ogólne oznaczenia przewodów oraz innych elementów instalacji.
Główne oznaczenia:
- Prąd przemienny:
L – przewód fazowy (L1 – faza 1, L2 – faza 2 itd.)
N – przewód neutralny
PE – przewód ochronny uziemiony
PEN – przewód ochronny uziemiony i neutralny równocześnie
- Prąd stały:
L+ – biegun dodatni
L- – biegun ujemny
M – środkowy
Typy przewodów - podział ze względu na:
- Konstrukcję żyły:
D – drut
L – linka
Lg – linka giętka
- Materiał budujący żyły:
A – aluminium
F – stal miękka
brak oznaczeń – miedź
Łączniki jednobiegunowe (pojedyncze)
Przy pomocy tych łączników wykonuje się łączenia w obrębie jednego obwodu działając jak przełącznik oraz obwody dwubiegunowe składające się z pojedynczego przycisku - umożliwia to manipulację w obrębie dwóch obwodów.


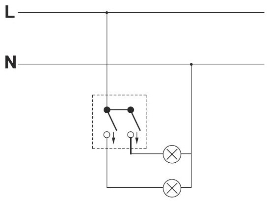
Łączniki świecznikowe (seryjny)
Mogą one posiadać dwa albo więcej przycisków i używa się ich do żyrandoli

Łączniki schodowe (współpracujący z krzyżowym)
Tego rodzaju łączniki stosuje się w parach - na parterze i piętrze, przełączenie jednego z łączników powoduje zmianę stanu obwodu w konfiguracji otwarty/zamkniety.
Znajdują one zastosowanie na klatkach schodowych. W wersji krzyżowej umożliwiają stosowanie instalacji dla dowolnej liczby kondygnacji.


Łączniki zwierne (dzwonkowe, światło)
Łączniki tego typu stosuje się do łączenia w pojedynczym obwodzie. Posiadają sprężynkę, która jednocześnie odbija przycisk powodując rozłączenie obwodu.

Łączniki żaluzjowe
Umożliwiają łączenie w obrębie dwóch oddzielnych obwodów, brak możliwości łączenia ich jednocześnie. Łączniki zwierne mogą być wyposażone w dwa przyciski lub jeden trójstanowy. Używa się ich m.in. do podnoszenia i opuszczania żaluzji.
